ITALSENSOR TISP58 增量式光学可编程编码器
品牌:ITALSENSOR
产品详情
产品参数
产品图片
意大利ITALSENSOR TISP58增量式光学可编程编码器 实心轴 直径58mm
特点:
用户需要从1到65536 PPR的增量式光学可编程编码器TISP58,它 是需要不同分辨率的单个编码器型号时,针对不同应用的理想解决方案。
-缩短交货时间:降低库存成本,加快库存周转,减少浪费,缩短生产时间; -零脉冲位置,计数方向可由用户直接设置;
-通过编程电缆轻松编程;
-免费软件。
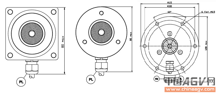
不同类型的法兰:
F1 方形法兰 F2 方形法兰 F3 方形法兰
SG1伺服夹 SG2 伺服夹 SG3 伺服夹
S1 伺服法兰 S2 伺服法兰 FRE 法兰REO-REO 444
6 Ø6mm((法兰F1- F2-F3-SG1-SG2-SG3-S1-S2)
8 Ø8mm(法兰F1- F2-F3-SG1-SG2-S1-S2)
9.52 Ø9.52mm(法兰F1- F2-F3-SG1-SG2-S1-S2)
10 Ø10mm(法兰F1- F2-F3-SG1-SG2-S1-S2)
11 Ø11mm(法兰FRE-SG1)
11R Ø11mm(法兰FRE-SG1)





