直流伺服电动缸 天誉电动DGB10-05-150
品牌:TYT(天誉创新)
产品详情
产品参数
产品图片
天誉全新DGB10直流伺服电动缸传动装置旨在帮助您节约时间和金钱的同时,为您提供更加卓越的性能,而且更容易调整产品尺寸和选择,快速可靠地完成安装,并减少维护工作。
根据您的需求定制解决方案,可选择行业最长的行程距离,利用适用于600多种伺服电机类型和尺寸的即插即用安装解决方案。利用DGB10直流伺服电动缸优异的功率密度,您可以构建更加安静、更加紧凑的机器。
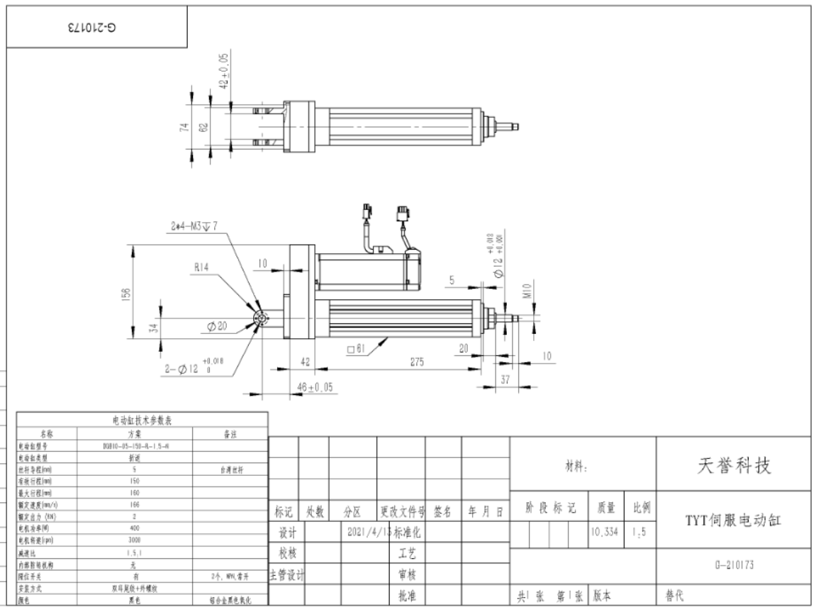
此款直流电动缸搭配说明:天誉DGB10-05-150-R-1.5-N电动缸+JARRETT直流伺服电机ZSMH0602-4430-T1MD-2KSW,减速比:1.5。
1、DGB10-05-150-R-1.5-N交流电动缸技术参数
• 推力:2000 N
• 行程:150 mm
• 速度:166mm/s
• 螺纹导程:5mm
• 减速比:1.5
• 重复精度:± 0.05 mm
• IP54/IP65/IP67可选,标准是IP54
• 安装方式:双耳尾铰+外螺纹
2、杰瑞特直流伺服电机ZSMH0602-4430-T1MD-2KSW技术参数
电压:DC48V
功率:400W
转速:3000RPM
反馈:17位多圈绝对值编码器 带刹车
注:DGB10直流伺服电动缸可选配步进电机、增量编码器伺服电机、旋转变压器伺服电机和绝对值编码器伺服电机,同时可以定制-40度恶劣环境下的低温电动缸。
3、DGB10-05-150-R-1.5-N 直流伺服电动缸安装尺寸




