产品详情
首页
关于我们
发布采购
我的
资讯
企业
品牌
产品
采购
视频
展会
专题
地图
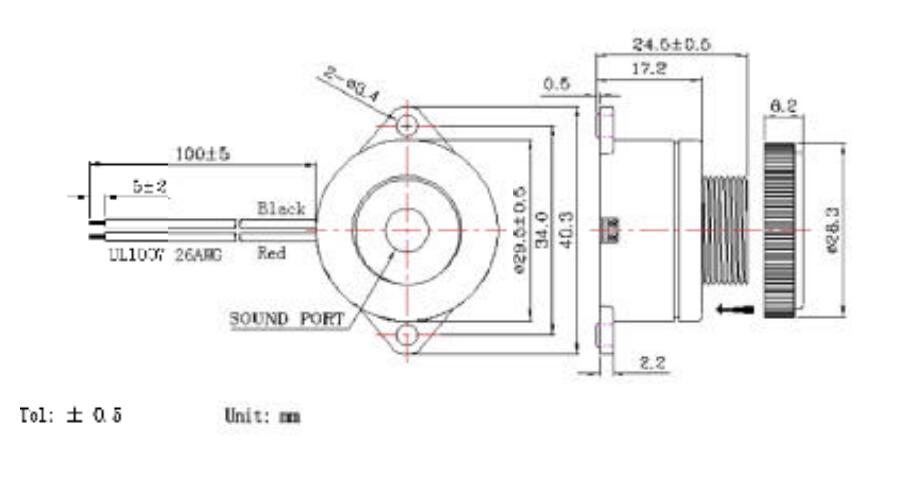
倒车报警器ATS3025C24V
品牌:明创通智能
常州明创通智能电子科技有限公司
普通商家
经营模式:
配套件供应商
地区:
中国江苏省常州市
地址:
中国江苏省常州市武进区鸣凰沟南工业园新南路2号
全部商品
进入店铺
产品详情
产品参数
产品图片
报警器ATS3025C24V性能参数
报警器ATS3025C24V尺寸
报警器ATS3025C24V实拍图
分享到:
取消
分享
收藏
联系
立即询价