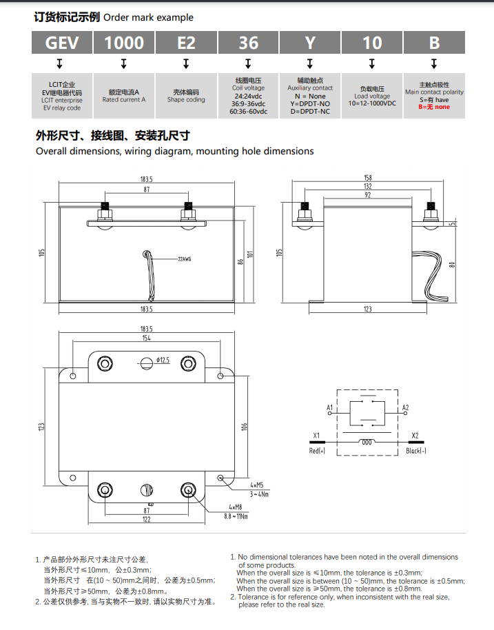
产品详情

  • 高压直流接触器 高压直流继电器GEV1000E236Y10S

高压直流接触器 高压直流继电器GEV1000E236Y10S

品牌:LCITIND

  • 上海锂楚实业有限公司

    普通商家
  • 经营模式:配套件供应商 
  • 地区:中国上海市松江区
  • 地址:中国上海市松江区

产品详情

产品参数

产品图片

网址www.lcitind.cn 手机13585916719微信同号

高压直流继电器,高压直流接触器

产品线全覆盖10-1000A 圆形/方形,陶瓷/环氧,替代泰科,松下,LS , GIGAVAC等;欢迎联络洽谈合作,支持OEM,ODM非标定制合作模式,代开发定制PDU,BDU等


取消